DESCRIPTION
When the side auto step motor current detection sensor inside the side auto step controller ECU assembly detects a current of less than 1 A when the automatic running board is operating, the side auto step controller ECU assembly does not operate the automatic running board.
| DTC No. | Detection Condition | Trouble Area | 
|---|---|---|
| 61 | When the side auto step motor assembly LH is operating, there is less than 1 A of current detected in the side auto step ECU even when the hall effect pluses are input. | 
 | 
| 62 | When the side auto step motor assembly RH is operating, there is less than 1 A of current detected in the side auto step ECU even when the hall effect pluses are input. | 
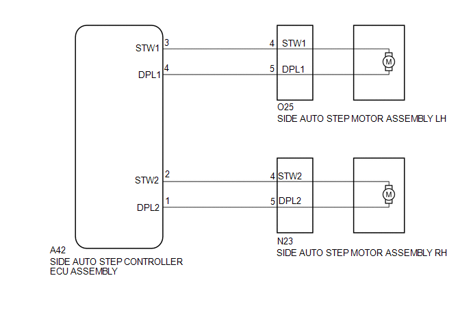
WIRING DIAGRAM
 
PROCEDURE
| 1. | CHECK HARNESS AND CONNECTOR (SIDE AUTO STEP MOTOR - SIDE AUTO STEP CONTROLLER ECU) | 
(a) Disconnect the O25*1 or N23*2 side auto step motor assembly connector.
(b) Disconnect the A42 side auto step controller ECU assembly connector.
(c) Measure the resistance according to the value(s) in the table below.
Standard Resistance:
for LH
| Tester Connection | Condition | Specified Condition | 
|---|---|---|
| O25-4 (STW1) - A42-3 (STW1) | Always | Below 1 Ω | 
| O25-5 (DPL1) - A42-4 (DPL1) | Always | Below 1 Ω | 
for RH
| Tester Connection | Condition | Specified Condition | 
|---|---|---|
| N23-4 (STW2) - A42-2 (STW2) | Always | Below 1 Ω | 
| N23-5 (DPL2) - A42-1 (DPL1) | Always | Below 1 Ω | 
| NG | .gif)  | REPAIR OR REPLACE HARNESS OR CONNECTOR | 
| 
 | 
| 2. | PERFORM COOL DOWN | 
(a) Do not operate the automatic running board in order to cool down the side auto step motor assembly.
| 
 | 
| 3. | CHECK DTC | 
(a) Recheck for DTCs and check if the same DTC is output again.
OK:
No DTCs are output.
| OK | .gif)  | END | 
| NG | .gif)  | REPLACE SIDE AUTO STEP CONTROLLER ECU ASSEMBLY | 
 Motor LH Over Temperature (64,65)
Motor LH Over Temperature (64,65) ECU Circuit (61)
ECU Circuit (61)Cleaning and protecting the vehicle interior
   	The following procedures will help protect your vehicle’s interior and 
keep it in top condition:
Protecting the vehicle interior 
Remove dirt and dust using a vacuum cleaner. Wipe dirty surfaces with a cloth 
dampened with lukewarm water. 
Cleaning the ...
   	
Microphone Amplifier
   	Components
COMPONENTS
ILLUSTRATION
ILLUSTRATION
Removal
REMOVAL
PROCEDURE
1. REMOVE DRIVE MONITOR SWITCH
 
2. REMOVE MAP LIGHT ASSEMBLY
 
3. REMOVE TELEPHONE MICROPHONE ASSEMBLY
	
		
		(a) Disconnect the 6 connectors.
		
		
		
			
 ...