DESCRIPTION
When the light control rheostat dial is turned upward, the combination meter and vehicle interior illumination will become brighter. When the light control rheostat dial is turned downward, the combination meter and vehicle illumination will dim.
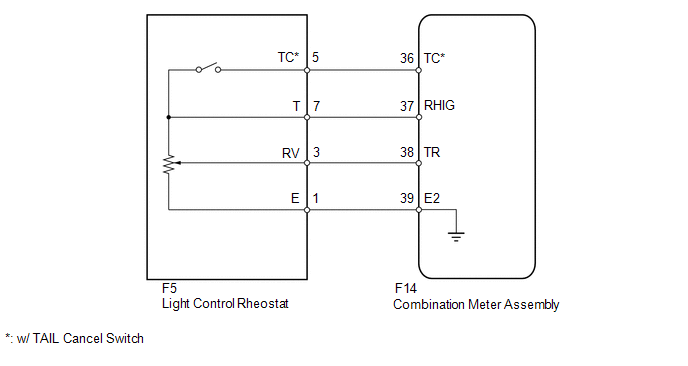
WIRING DIAGRAM
 
PROCEDURE
| 1. | READ VALUE USING TECHSTREAM (LIGHT CONTROL RHEOSTAT) | 
(a) Operate the Techstream according to the display and select the Data List 
(See page .gif) ).
 ).
| Tester Display | Measurement Item/Range | Normal Condition | Diagnostic Note | 
|---|---|---|---|
| Tail Cancel SW* | TAIL cancel switch condition/ON or OFF | ON: TAIL cancel switch on OFF: TAIL cancel switch off | - | 
| Rheostat value | Light control rheostat switch input/Min.: 0, Max.: 100 | Light control rheostat switch fully turned downward (0) → fully turned upward (100) | Unit: % | 
OK:
Light brightness can be changed within specified range by manual operation.
| OK | .gif)  | REPLACE COMBINATION METER ASSEMBLY | 
| 
 | 
| 2. | INSPECT LIGHT CONTROL RHEOSTAT | 
w/o TAIL Cancel Switch:
(a) Inspect the light control rheostat.
 
(1) Remove the light control rheostat (See page
.gif) ).
 ).
(2) Measure the resistance according to the table below.
Standard Resistance:
| Tester Connection | Switch Condition | Specified Condition | 
|---|---|---|
| 7 (T) - 1 (E) | Always | 8 to 12 kΩ | 
| 3 (RV) - 1 (E) | Light control rheostat fully turned upward → fully turned downward | 8 to 12 kΩ → Below 50 Ω | 
w/ TAIL Cancel Switch:
(b) Inspect the light control rheostat.
 
(1) Remove the light control rheostat (See page
.gif) ).
 ).
(2) Measure the resistance according to the table below.
Standard Resistance:
| Tester Connection | Switch Condition | Specified Condition | 
|---|---|---|
| 7 (T) - 5 (TC) | TAIL cancel switch off → on | 1 MΩ or higher → Below 1 Ω | 
| 7 (T) - 1 (E) | Always | 8 to 12 kΩ | 
| 3 (RV) - 1 (E) | Light control rheostat fully turned upward → fully turned downward | 8 to 12 kΩ → Below 50 Ω | 
| NG | .gif)  | REPLACE LIGHT CONTROL RHEOSTAT | 
| 
 | 
| 3. | CHECK HARNESS AND CONNECTOR (COMBINATION METER - LIGHT CONTROL RHEOSTAT) | 
(a) Disconnect the F14 meter connector.
(b) Disconnect the F5 rheostat connector.
(c) Measure the resistance according to the value(s) in the table below.
Standard Resistance:
| Tester Connection | Condition | Specified Condition | 
|---|---|---|
| F14-36 (TC) - F5-5 (TC)* | Always | Below 1 Ω | 
| F14-37 (RHIG) - F5-7 (T) | ||
| F14-38 (TR) - F5-3 (RV) | ||
| F14-39 (E2) - F5-1 (E) | 
| NG | .gif)  | REPAIR OR REPLACE HARNESS OR CONNECTOR | 
| 
 | 
| 4. | REPLACE COMBINATION METER ASSEMBLY | 
(a) Replace the combination meter assembly with a new or normally functioning one. Perform an operation inspection.
OK:
Combination meter assembly operates normally.
| OK | .gif)  | END | 
| NG | .gif)  | GO TO LIGHTING SYSTEM | 
 Engine Coolant Temperature Receiver Gauge Malfunction
Engine Coolant Temperature Receiver Gauge Malfunction Meter Illumination does not Dim at Night
Meter Illumination does not Dim at NightInstallation
   	INSTALLATION
PROCEDURE
1. INSTALL SEAT HEATER SWITCH
(a) Attach the 4 claws to install the 2 switches.
(b) Connect the 2 connectors.
2. INSTALL UPPER CONSOLE PANEL SUB-ASSEMBLY
 
3. INSTALL SHIFT LEVER KNOB SUB-ASSEMBLY (for VF2A)
 
4. INSTALL SHIFT L ...
   	
Open or Short in Rear Speed Sensor RH Circuit (C1407,C1408)
   	DESCRIPTION
Refer to DTCs C1401 and C1402 (See page  ).
	
		
		DTC Code
		
		
		DTC Detection Condition
		
		
		Trouble Area
		
	
	
		
		C1407
		C1408
		
		
		Either condition is met:
		
			
				An open in the speed sensor signal circui ...