Toyota 4Runner manuals

Toyota 4Runner: Short in Driver Side Squib 2nd Step Circuit (B1810/53-B1813/53)

Toyota 4Runner Service Manual / Vehicle Interior / Supplemental Restraint Systems / Airbag System / Short in Driver Side Squib 2nd Step Circuit (B1810/53-B1813/53)

DESCRIPTION

The driver side squib 2nd step circuit consists of the center airbag sensor, spiral cable and steering pad.

The circuit instructs the SRS to deploy when deployment conditions are met.

These DTCs are stored when a malfunction is detected in the driver side squib 2nd step circuit.

DTC Code

DTC Detection Condition

Trouble Area

B1810/53

One of the following conditions is met:

  • The center airbag sensor detects a line short circuit signal 5 times in the driver side squib 2nd step circuit during the primary check.
  • A driver side squib 2nd step malfunction.
  • A spiral cable malfunction.
  • A center airbag sensor malfunction.
  • Instrument panel wire
  • Spiral cable sub-assembly
  • Steering pad (Driver side squib 2nd step)
  • Center airbag sensor assembly

B1811/53

One of the following conditions is met:

  • The center airbag sensor detects an open circuit signal in the driver side squib 2nd step circuit for 2 seconds.
  • A driver side squib 2nd step malfunction.
  • A spiral cable malfunction.
  • A center airbag sensor malfunction.
  • Instrument panel wire
  • Spiral cable sub-assembly
  • Steering pad (Driver side squib 2nd step)
  • Center airbag sensor assembly

B1812/53

One of the following conditions is met:

  • The center airbag sensor detects a short circuit to ground signal in the driver side 2nd step circuit for 0.5 seconds.
  • A driver side squib 2nd step malfunction.
  • A spiral cable malfunction.
  • A center airbag sensor malfunction.
  • Instrument panel wire
  • Spiral cable sub-assembly
  • Steering pad (Driver side squib 2nd step)
  • Center airbag sensor assembly

B1813/53

One of the following conditions is met:

  • The center airbag sensor detects a short circuit to B+ signal in the driver side squib 2nd step circuit for 0.5 seconds.
  • A driver side squib 2nd step malfunction.
  • A spiral cable malfunction.
  • A center airbag sensor malfunction.
  • Instrument panel wire
  • Spiral cable sub-assembly
  • Steering pad (Driver side squib 2nd step)
  • Center airbag sensor assembly

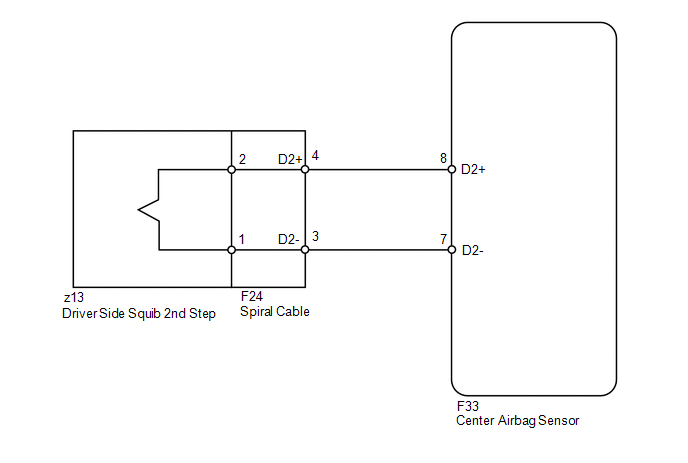
WIRING DIAGRAM


CAUTION / NOTICE / HINT

NOTICE:

  • When installing the spiral cable and steering wheel, be sure to adjust the spiral cable as it may break if the steering wheel is turned before adjusting the spiral cable (See page ).
  • When disconnecting the cable from the negative (-) battery terminal while performing repairs, some systems need to be initialized after the cable is reconnected (See page ).

HINT:

To perform the simulation method, enter check mode (signal check) with the Techstream (See page ), and then wiggle each connector of
the airbag system or drive the vehicle on various types of road (See page ).


PROCEDURE

1.

CHECK STEERING PAD (DRIVER SIDE SQUIB 2ND STEP)

(a) Turn the ignition switch off.


(b) Disconnect the cable from the negative (-) battery terminal, and wait for at least 90 seconds.

(c) Disconnect the connectors from the steering pad.

(d) Connect the white wire side of SST (resistance: 2.1 Ω) to connector E (black connector).

CAUTION:

Never connect the tester to the steering pad (driver side squib 2nd step) for measurement, as this may lead to a serious injury due to airbag deployment.

NOTICE:

  • Do not forcibly insert SST into the terminals of the connector when connecting SST.
  • Insert SST straight into the terminals of the connector.

SST: 09843-18061

(e) Connect the cable to the negative (-) battery terminal, and wait for at least 2 seconds.

(f) Turn the ignition switch to ON, and wait for at least 60 seconds.

(g) Clear the DTCs (See page ).


(h) Turn the ignition switch off.

(i) Turn the ignition switch to ON, and wait for at least 60 seconds.

(j) Check for DTCs (See page ).


OK:

DTC B1810, B1811, B1812 or B1813 is not output.

HINT:

Codes other than DTC B1810, B1811, B1812 and B1813 may be output at this time, but they are not related to this check.

Text in Illustration

*1

Driver Side Squib 2nd Step

*2

Spiral Cable

*3

Center Airbag Sensor

*4

Connector E

*5

SST

*a

Front view of wire harness connector

(to Driver Side Squib 2nd Step)

*b

Color: Black


OK

REPLACE STEERING PAD


NG

2.

CHECK CONNECTOR

(a) Turn the ignition switch off.

(b) Disconnect the cable from the negative (-) battery terminal, and wait for at least 90 seconds.

(c) Disconnect SST from connector E.

(d) Check that the spiral cable connectors (on the steering pad side) are not damaged.

OK:

The lock button is not disengaged, and the claw of the lock is not deformed or damaged.

Text in Illustration

*1

Driver Side Squib 2nd Step

*2

Spiral Cable

*3

Center Airbag Sensor



NG

REPLACE SPIRAL CABLE SUB-ASSEMBLY


OK

3.

CHECK DRIVER SIDE SQUIB 2ND STEP CIRCUIT


(a) Disconnect the connectors from the center airbag sensor.

(b) Connect the cable to the negative (-) battery terminal, and wait for at least 2 seconds.

(c) Measure the voltage according to the value(s) in the table below.

Standard Voltage:

Tester Connection

Switch Condition

Specified Condition

z13-2 (D2+) - Body ground

Ignition switch ON

Below 1 V

z13-1 (D2-) - Body ground

Ignition switch ON

Below 1 V

(d) Turn the ignition switch off.

(e) Disconnect the cable from the negative (-) battery terminal, and wait for at least 90 seconds.

(f) Measure the resistance according to the value(s) in the table below.

Standard Resistance:

Tester Connection

Condition

Specified Condition

z13-2 (D2+) - z13-1 (D2-)

Always

Below 1 Ω

(g) Release the activation prevention mechanism built into connector B (See page ).


(h) Measure the resistance according to the value(s) in the table below.

Standard Resistance:

Tester Connection

Condition

Specified Condition

z13-2 (D2+) - z13-1 (D2-)

Always

1 MΩ or higher

z13-2 (D2+) - Body ground

Always

1 MΩ or higher

z13-1 (D2-) - Body ground

Always

1 MΩ or higher

Text in Illustration

*1

Driver Side Squib 2nd Step

*2

Spiral Cable

*3

Center Airbag Sensor

*4

Connector E

*a

Front view of wire harness connector

(to Driver Side Squib 2nd Step)

*b

Color: Black


NG

GO TO STEP 5


OK

4.

CHECK CENTER AIRBAG SENSOR

(a) Connect the connectors to the steering pad and center airbag sensor.


(b) Connect the cable to the negative (-) battery terminal, and wait for at least 2 seconds.

(c) Turn the ignition switch to ON, and wait for at least 60 seconds.

(d) Clear the DTCs (See page ).


(e) Turn the ignition switch off.

(f) Turn the ignition switch to ON, and wait for at least 60 seconds.

(g) Check for DTCs (See page ).


OK:

DTC B1810, B1811, B1812 or B1813 is not output.

HINT:

Codes other than DTC B1810, B1811, B1812 and B1813 may be output at this time, but they are not related to this check.

Text in Illustration

*1

Driver Side Squib 2nd Step

*2

Spiral Cable

*3

Center Airbag Sensor


OK

USE SIMULATION METHOD TO CHECK


NG

REPLACE CENTER AIRBAG SENSOR ASSEMBLY

5.

CHECK INSTRUMENT PANEL WIRE (CENTER AIRBAG SENSOR - SPIRAL CABLE)

(a) Restore the released activation prevention mechanism of connector B to its original condition.


(b) Disconnect the instrument panel wire connector from the spiral cable.

(c) Connect the cable to the negative (-) battery terminal, and wait for at least 2 seconds.

(d) Measure the voltage according to the value(s) in the table below.

Standard Voltage:

Tester Connection

Switch Condition

Specified Condition

F24-4 (D2+) - Body ground

Ignition switch ON

Below 1 V

F24-3 (D2-) - Body ground

Ignition switch ON

Below 1 V

(e) Turn the ignition switch off.

(f) Disconnect the cable from the negative (-) battery terminal, and wait for at least 90 seconds.

(g) Measure the resistance according to the value(s) in the table below.

Standard Resistance:

Tester Connection

Condition

Specified Condition

F24-4 (D2+) - F24-3 (D2-)

Always

Below 1 Ω

(h) Release the activation prevention mechanism built into connector B (See page ).


(i) Measure the resistance according to the value(s) in the table below.

Standard Resistance:

Tester Connection

Condition

Specified Condition

F24-4 (D2+) - F24-3 (D2-)

Always

1 MΩ or higher

F24-4 (D2+) - Body ground

Always

1 MΩ or higher

F24-3 (D2-) - Body ground

Always

1 MΩ or higher

Text in Illustration

*1

Instrument Panel Wire

*2

Spiral Cable

*3

Center Airbag Sensor

*4

Connector C

*5

SST

*a

Rear view of wire harness connector

(to Spiral Cable)


OK

REPLACE SPIRAL CABLE SUB-ASSEMBLY


NG

REPLACE INSTRUMENT PANEL WIRE

Short in Front Passenger Side Squib Circuit (B1805/52-B1808/52)
DESCRIPTION The front passenger side squib circuit consists of the center airbag sensor and instrument panel passenger airbag. The circuit instructs the SRS to deploy when deployment conditions ar ...

Short in Front Passenger Side Squib 2nd Step Circuit (B1815/54-B1818/54)
DESCRIPTION The front passenger side squib 2nd step circuit consists of the center airbag sensor and instrument panel passenger airbag. The circuit instructs the SRS to deploy when deployment cond ...

Other materials about Toyota 4Runner:

Off-road vehicle feature
• Specific design characteristics give it a higher center of gravity than ordinary passenger cars. This vehicle design feature causes this type of vehicle to be more likely to rollover. And, utility vehicles have a significantly higher rollover rate th ...

Cruise control
Use the cruise control to maintain a set speed without depressing the accelerator pedal. 1. Indicators 2. Cruise control switch Setting the vehicle speed Press the “ON-OFF” button to activate the cruise control. Cruise control indicator will co ...

© 2016-2026 | www.to4runner.net

0.0168